Search
QINGDAO LG RIGGING CO.,LTD.
QINGDAO LG RIGGING CO.,LTD.
LGRIG® T Head Dock Bollards
LGRIG® T Head Dock Bollards

LGRIG® T Head Dock Bollards

T Head Dock Bollards, also known as Terminal Mooring Bollard, Ship Mooring Bollard.

The T Head Dock Bollard, also referred to as a Tee Bollard or Tee Head Bollard, is engineered for wire rope mooring applications in dock environments with load capacities ranging from 10 to 200 tons.

Constructed from high-strength materials such as steel or ductile iron, it features a distinct T-shaped head that offers a broad surface for secure line handling.

Designed to moor large vessels including cargo ships, tankers, and cruise liners, the bollard is installed on concrete or steel foundations using bolts or anchoring systems.

To maintain operational reliability, periodic inspections, cleaning, and lubrication are recommended.

Customized versions can be produced based on provided drawings, and additional details are available upon inquiry.

Trawling Gear
Hooks
Shackles
Boat Fittings

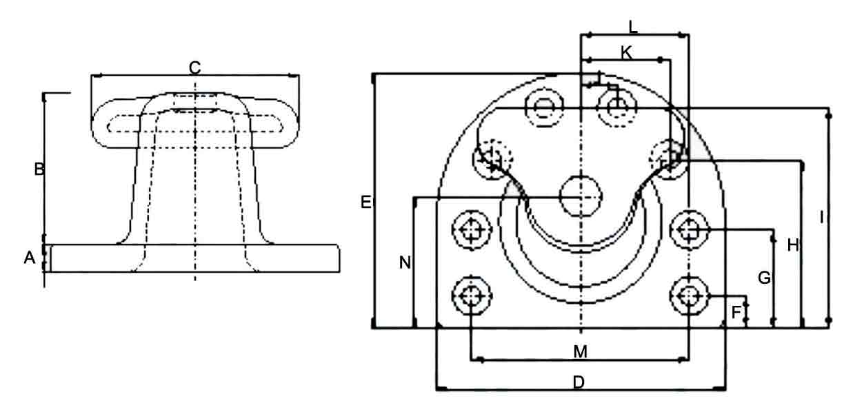
Information of LGRIG® T Head Dock Bollards

Brand

LGRIG®

Material

Cast Iron


Specification of LGRIG® T Head Dock Bollards

drawing-t-head-dock-bollards-lgrig.jpg

Part No.

Capacity

(tonnes)

A

B

C

D

E

F

G

H

I

J

K

L

M

N

Number

of bolt

LGBTH010

10

47

199

305

381

330

44

-

-

243

103

-

-

292

189

4

LGBTH015

15

52

219

335

419

363

49

-

-

267

114

-

-

321

208

4

LGBTH020

20

54

240

351

438

380

51

-

232

329

0

152

-

336

217

5

LGBTH030

30

57

250

366

457

396

53

-

242

343

0

159

-

351

226

5

LGBTH050

50

70

308

451

564

489

66

-

296

423

0

196

-

432

279

5

LGBTH075

75

80

354

518

648

561

76

-

298

463

105

241

-

497

321

6

LGBTH100

100

80

413

610

762

660

89

305

406

572

0

195

291

584

377

7

LGBTH125

125

87

458

671

838

726

98

335

546

629

0

215

320

643

415

7

LGBTH150

150

87

492

719

899

779

105

360

586

674

0

231

343

689

445

7

LGBTH200

200

97

521

762

952

826

111

349

559

694

119

299

365

730

472

8


We are a professional manufacturer and supplier of Trawling / Rigging / Stainless / Yacht Equipments in China
Contact LG RIGGING NOW
Request a Free Quote
Upload
or drag files here.

Related Cleats & Fairleads

China LG RIGGING's Updates
Copyright © QINGDAO LG RIGGING CO.,LTD. All Rights Reserved.
sales@lg-lifting.com
+86 19524345486