Search
QINGDAO LG RIGGING CO.,LTD.
QINGDAO LG RIGGING CO.,LTD.
LGRIG® K Head Dock Bollards
LGRIG® K Head Dock Bollards

LGRIG® K Head Dock Bollards

K Head Dock Bollards, also known as Terminal Mooring Bollard, Ship Mooring Bollard.

The K Head Dock Bollard, with a loading capacity ranging from 15 to 200 tons, is engineered for heavy-duty marine mooring operations.

Constructed from robust materials such as cast iron, cast steel, or ductile iron, it features a distinctive K-shaped head that provides multiple secure attachment points for mooring lines.

Designed to withstand extreme docking forces, the bollard is coated with anti-corrosion protection like galvanization or specialized paint to ensure durability in harsh saltwater environments.

Compliant with industry standards such as IACS and ASCE, it allows for straightforward installation on new or existing docks and can be retrofitted to upgrade older mooring systems. Fixing parts for the bollard are also available upon request.

Trawling Gear
Hooks
Shackles
Boat Fittings

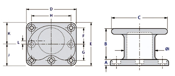
Specification of LGRIG® K Head Dock Bollards

drawing-k-head-dock-bollards-lgrig.jpg

Part No.

Capacity

(Tons)

A

B

C

D

E

F

G

H

I

J

K

L

Bolt

LGBKH015T

15T

40

260

340

320

320

-

-

220

160

160

160

-

M24*4(500mm)

LGBKH030T

30T

40

280

370

360

360

-

-

260

200

180

180

-

M30*4(500mm)

LGBKH050T

50T

50

320

480

540

540

-

-

400

260

270

270

-

M36*4(500mm)

LGBKH080T

80T

70

330

530

560

460

-

-

420

280

160

160

-

M42*5(800mm)

LGBKH100T

100T

70

350

550

590

490

175

175

450

300

295

195

50

M42*7(800mm)

LGBKH150T

150T

80

405

728

760

660

250

250

600

400

380

280

50

M48*7(1000mm)

LGBKH200T

200T

90

435

800

1000

850

300

300

750

450

475

375

50

M56*7(1000mm)


Information of LGRIG® K Head Dock Bollards

Brand

LGRIG®

Material

Cast Iron


We are a professional manufacturer and supplier of Trawling / Rigging / Stainless / Yacht Equipments in China
Contact LG RIGGING NOW
Request a Free Quote
Upload
or drag files here.

Related Cleats & Fairleads

China LG RIGGING's Updates
Copyright © QINGDAO LG RIGGING CO.,LTD. All Rights Reserved.
sales@lg-lifting.com
+86 19524345486